東晟產品分類
壓縮機用橡膠氣膜密封的4種典型的供氣系統特點?
來源:廣東東晟密封科技有限公司 - www.jkmxs668.cn更新時間:2016-06-22
在之前小編先為大家普及一下什么是橡膠氣膜密封件?東晟密封件告訴您橡膠氣膜密封又稱為干氣密封即“干運轉氣體密封”(Dry Running gas seals)是將開槽密封技術用于氣體密封的一種新型軸端密封,屬于非接觸密封,業內全稱為橡膠機械非接觸式氣膜密封件。
進入主題,今天小編要跟大家分享的內容是關于壓縮機中的風機用的氣膜密封供氣系統都有什么樣的供氣系統結構及供氣系統特點,最常見的供氣系統結構有單端面橡膠氣膜密封的供氣系統、雙端面橡膠氣膜密封的阻塞氣系統、串聯橡膠氣膜密封的供氣系統、帶中間迷宮密封的串聯橡膠氣膜密封的緩沖氣系統,四種典型的供氣系統結構及特點說明。
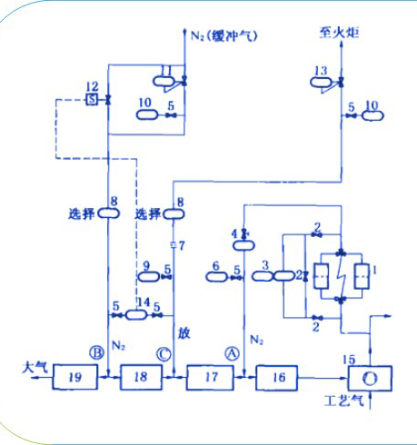
一、帶中間迷宮密封的串聯橡膠氣膜密封的緩沖氣系統結構特點及工作原理:
帶中間迷宮密封的串聯橡膠氣膜密封的緩沖氣系統系統都有什么樣結構圖
橡膠密封件之帶中間迷宮密封的串聯橡膠氣膜密封的緩沖氣系統,被密封氣體側的橡膠密封17(圖1所示的密封件17)是采用經過過濾的被密封氣體出管口A(圖1所示的管口A)引入進行沖洗的。如同橡膠密封的單端面氣膜密封的密封供氣系統、從氣膜密封17(圖1所示的密封件17)的泄漏的氣體從管口C(圖1所示管口C)排到火炬的。
而中間的橡膠迷宮密封(圖1所示的橡膠迷宮密封18)是裝在去火炬管口C(圖1所示管口C)和緩沖氣供給管口B(圖1所示管口B)之間的。外側橡膠氣膜密封19(圖1所示的密封件19)是用于防止緩沖泄漏到大氣中。利用差壓計14(圖所示的差壓計14)的電觸點控制電磁閥12(圖1所示的電磁閥12)的開度,保證緩沖氣的壓力始終高于去火炬的氣體的壓力的,由此確保了從中間橡膠迷宮密封的泄漏的緩沖氣與泄漏的被密封氣體一起由管口C(圖1所示管口C)排到火炬口中。
如果若被密封氣體側橡膠氣膜密封17(圖1所示的密封件17)失效了怎么辦呢?由于泄漏的氣體壓力的影響之下,導致緩沖氣壓力升高,中間橡膠迷宮密封18(圖1所示的密封件18)阻止了泄漏氣體泄漏到大氣之中。而會泄漏的氣體排到火炬中。
二、橡膠密封件之串聯式氣膜密封的供氣系統結構特點及工作原理:
橡膠密封件之串聯式氣膜密封的供氣系統都有什么樣結構圖
橡膠密封件之串聯式氣膜密封的供氣系統特點,被密封氣體側的密封采用經過過濾的高壓被密封氣體進行沖洗,如同單端面氣膜密封的密封氣系統那樣子,流量和壓力差需要監測。泄漏的被密封氣體集中在二個密封之間后由C口(圖1所示的C口)排至火炬。
而流量計8(圖1所示流量計8)測量泄漏氣體的流量。由壓力開關9(圖1所示開關9)引出壓力信號,監測密封泄漏情況、壓力高或低都應該會報警的。壓力高,表示被密封氣體側密封失效了;而壓力低,表示大氣側密封也失效了。這就是橡膠串聯式氣膜密封的供氣系統的工作原理及特點了。
三、橡膠密封圈之雙端面氣膜密封的阻塞氣系統結構特點及工作原理:
橡膠密封圈之雙端面氣膜密封的阻塞氣系統都有什么樣結構圖
橡膠密封圈中的雙端面橡膠氣膜密封中間即有大氣側密封和介質側密封之間通入由外部提供的清潔阻塞氣,如氮氣。塞氣向密封二側泄漏是微量的。塞氣的流量和壓力油流量計4(圖1所示流量計4)和壓力計2(圖1所示壓力計2)顯示和控制器,橡膠密封在運行的過程并利用了電觸點發出信號至控制室中,監測密封泄漏情況。
如果密封失效了怎么呢?橡膠氣膜密封的會將塞氣壓力降到最低、泄漏量就會慢慢增大,再將發出信號報警。為了更好的保證密封的使用壽命,塞氣也需要雙過濾器(圖1所示的一臺操作、一臺當然是備用了)過濾,過濾精度為1μm。這就是橡膠雙端面氣膜密封的阻塞氣系統的工作原理及特點了。
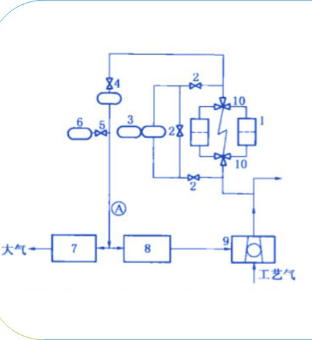
四、橡膠密封件之單端面氣膜密封的供氣系統結構特點及工作原理:
橡膠密封件之單端面氣膜密封的供氣系統都有什么樣結構圖
密封氣是為工藝氣體,由壓縮機出口引出,再通過過濾精度為1μm的雙過濾器1(圖1所示),再之后送至氣膜密封7(圖1所示)的A口。過濾器利用帶電觸點的壓差計3(圖1所示)監測過濾器的阻力。當壓著升到一定值時,由電觸點發出信號至控制室進行報警,人工轉動換向閥10(圖1所示)切換到另一個過濾器中,應臺過濾器便可以進行清理。
密封氣的是流量計4(圖1所示)顯示的,并用針形閥調節。壓力計6(圖1所示)顯示并控制氣體壓力,從而監測密封的泄漏情況,如果密封失效時,氣體外漏。而壓力計6(圖1所示)顯示出壓力會過低的,可以通過電觸點發出信號報警的。這就是橡膠氣膜密封的供氣系統的工作原理及特點了。
